| Страница: 1 2 3 4 5 6 |
5.3. ДОПОЛНИТЕЛЬНОЕ СОЕДИНЕНИЕ С ЗЕМЛЕЙ EN 61557 - 4
Там, где основного заземления недостаточно для предотвращения возрастания опасного напряжения повреждения, должно применяться дополнительное соединение с землей. Пример соединения с основной и дополнительной землей показан ниже.

Рис. 20. Основное и дополнительное соединение с землей
additional equalizing – дополнительное уравнивание
active accessible conductive part – открытая проводящая часть
passive accessible conductive part – сторонняя проводящая часть
Основное заземление состоит из защитных проводников, присоединенных непосредственно к:
- Основному ОСЗЗ (MPEC) или
- Коллектору защитного проводника СЗП (PCC) Защитные проводники для дополнительного уравнивания соединяют сторонние проводящие части:
- Непосредственно с открытыми проводящими частями или
- С Соединителями Дополнительного Заземления (СДЗ – рус., CAE – англ.)
С активными доступными проводящими частями или
Если случилось повреждение (короткое замыкание) в любой нагрузке, например, в трехфазном электродвигателе, показанном на рисунке выше), ток короткого замыкания Isc может течь по защитному проводнику в основное заземление. Ток может вызвать опасное падение напряжения (относительно потенциала земли) из-за высокого сопротивления защитного проводника RPE.
Так как близлежащие сторонние проводящие части (например, радиатор) уже присоединен к потенциалу земли, то напряжение Uc будет присутствовать между открытыми и сторонними проводящими частями. Если расстояние между этими частями меньше, чем 2.5 м, то имеет место опасная ситуация (одновременное касание обоих проводящих частей).
Чтобы избежать такой ситуации, требуется дополнительное заземление, что означает, что требуется дополнительное соединение между открытыми и сторонними частями.
Как определить потребность в дополнительном заземлении
Чтобы установить потребность в дополнительном заземлении, должно быть проведено измерение сопротивления защитного проводника от открытой части до ОСЗЗ- MPEC (СЗП-PCC), см. рисунок ниже.

Рис. 21. Измерение защитного проводника для установления необходимости дополнительного уравнивания
Если результат испытаний не соответствует требуемому в соответствии с уравнением на странице 26, то должно быть применено дополнительное заземление.
Как только применено дополнительное заземление, то должна быть проверена эффективность такого заземления. Испытание проводится путем повторного измерения сопротивления между открытыми и сторонними частями, см. рисунок ниже. Результат должен соответствовать тому же самому условию, что и при основном измерении, а именно:

Рис. 22. Проверка эффективности дополнительного заземления
На практике уровень сопротивления основного заземления может легко быть превышен, особенно в случае защиты от сверхтока. В этом случае допустимы только малые сопротивления, благодаря которым возможны большие токи повреждения (короткого замыкания).
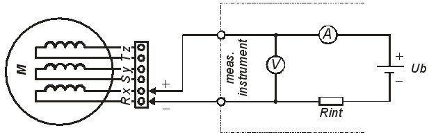
Испытательный прибор Eurotest 61557 может выполнять также непосредственное измерение напряжения прикосновения относительно сторонних проводящих частей при токе короткого замыкания. Схема присоединения прибора и принцип измерения обсуждаются ниже.
Измерение напряжения прикосновения относительно сторонних проводящих частей при токе короткого замыкания

Рис. 23. Измерение напряжения прикосновения относительно сторонних проводящих частей при токе короткого замыкания с использованием испытательного прибора Eurotest 61557
Прибор создает большую нагрузку на сетевое напряжение между фазой L и защитным испытательным зажимом PE в течение короткого периода времени (может протекать испытательный ток до 23 А). Испытательный ток создаст особое падение напряжения на защитном проводнике, соединяющем испытательную нагрузку и MPEC (PCC). Падение напряжения измеряется непосредственно относительно другой открытой или сторонней проводящей части, между PE и испытательными зажимами электрода. Измеренный результат приводится к короткозамкнутому току повреждения, рассчитанному испытательным прибором.
На основе этого результата может быть установлена необходимость в дополнительном заземлении.
Хорошая особенность измерения - это высокая точность результата испытания, благодаря большому испытательному току, однако оператор должен знать, что измерение может быть проведено только при условии, что в тестируемую петлю не включено никакое RCD, которое конечно же сработает во время измерения. В этом случае RCD должен быть закорочен.
5.4. МАЛЫЕ СОПРОТИВЛЕНИЯ
Эта функция полезна при обслуживании электроустановок и оборудования, проверке состояния плавкого предохранителя, при поиске различных соединений и т.д. Преимущество этой функции относительно функций проверки защитных проводников согласно EN 61557 (описанных в предыдущей главе) - в том, что эта функция является непрерывной (малый испытательный ток и нет изменения полярности испытательного напряжения) и предназначен для экспресс-методов проверки. Испытательные приборы Eurotest 61557, Instaltest 61557 и Earth-InsulationTester - все они имеют эту функцию.
Принцип измерения представлен на рисунке ниже.

Рис. 24. Принцип измерения
Батарея вызывает испытательный ток в проверяемой петле через внутреннее сопротивление Ri и амперметр. Падение напряжения на проверяемом сопротивлении измеряется вольтметром. Прибор вычисляет проверяемое сопротивление на основе следующего уравнения:
Rx = U / I,где
U..............Напряжение, измеренное вольтметром.
I ..............Испытательный ток, измеренный амперметром.
Внутреннее сопротивление приборов выше по сравнению с внутренним сопротивлением при выполнении предыдущей функции (EN 61557), вот почему испытательный ток много меньше (меньше, чем 7 мА).
Процедура измерения и подключение испытательных проводников в точности такие же, как и у предыдущей функции.
Если измеренное сопротивление меньше, чем 20 Ом, прибор подаст акустический сигнал, что позволяет измерителю сфокусировать внимание непосредственно на измерении, а не на дисплее.
5.5. СОПРОТИВЛЕНИЕ ЗАЗЕМЛИТЕЛЯ EN 61557-5
Заземление - одна из наиболее важных функций при защите людей, животных и при установке присоединенных нагрузок от влияний электрического тока. Смысл заземления открытых и сторонних проводящих частей электрических нагрузок в том, чтобы привести возможный электрический потенциал, который может появиться на электрических нагрузках в результате любой неисправности, к потенциалу земли.
Заземление может быть выполнено различными способами. Обычно оно выполняется металлическими прутками, полосами, металлическими пластинами и т.д.
Сложность заземления зависит от почвы, объекта, который должен быть заземлен, и от максимального сопротивления заземления, которое допускается в любом отдельном случае.
Что такое сопротивление заземлителя?
Это - электрическое сопротивление электрода, находящегося в соприкосновении с землей, (заземлителя), которому подвергается электрический ток, протекая по заземляющей части к земле. На него оказывает влияние поверхность заземлителя (окислы на металлической поверхности), а также сопротивление почвы, главным образом вблизи поверхности заземлителя.

Рис. 25. Заземлитель
Earthing electrode - заземлитель
Ground material (resistance of ground material) - материал грунта (сопротивление материала грунта)
Earthing electrode surface (resistance of the surface) - поверхность заземлителя (сопротивление поверхности)
Если существует неисправность в установке или присоединенной нагрузке, то ток, который протекает через заземлитель, вызывает падение напряжения на сопротивлении заземлителя. Часть этого напряжения называется «конусом»
напряжения и доказывает, что большая часть сопротивления заземлителя сконцентрировано на поверхности заземлителя (см. рисунок ниже).
Показаны также напряжение соприкосновения и напряжение шага, возникающие в результате протекания тока по сопротивлению заземления.
Напряжение шага измеряется в критической области вокруг заземлителя. Измерение проводится между двумя металлическими измерительными электродами по 25 кг и с соответствующей поверхностью 200 см2 каждый.
Два электрода помещаются на расстоянии 1 м друг от друга.
Напряжение соприкосновения измеряется между электродом заземления и двумя измерительными электродами (подобным тем, которые применяются при измерении напряжения шага), соединенным вместе и размещенным на расстоянии 1 м от проверенного электрода заземления.

Рис. 26. Распределение напряжения на сопротивлении заземлителя – «конус» напряжения
Электрод заземления
Uo .... потенциал земли
Uc ... напряжение соприкосновения
Usl ... напряжение шага
Re .... сопротивление заземлителя
Общие соображения относительно измерения сопротивления земли
Имеются различные системы заземления, часто встречаемые у пользователей, а также различные принципы измерения с их преимуществами и ограничениями.
Измерительные приборы Eurotest 61557, Instaltest 61557 и Earth-InsulationTester, производимые METREL, используют несколько принципов (не все принципы используются всеми испытательными приборами), например:
Использование синусоидального измерительного сигнала имеет явное преимущество по сравнению с использованием прямоугольного сигнала. Особенно он применяется при измерении систем заземления, имеющих индуктивную компоненту в дополнение к активному сопротивлению. Это наиболее характерно там, где соединение с заземлением сделано при помощи металлических полос, обходящих вокруг объекта. Это – предпочтительный метод, при условии, что физические условия позволяют его реализовать.
Этот метод используется в Eurotest 61557 и Earth-InsulationTester.
• Метод, использующий внешнее измерительное напряжение без вспомогательного измерительного электрода.
Этот метод обычно используется при измерении сопротивления заземлителя в TT системах, где сопротивления заземлителя намного выше, чем сопротивление других частей петли повреждения, в которой проводятся измерения, между фазным и защитным зажимами. Преимущество этого метода в том, что не требуется использование вспомогательных измерительных электродов, что особенно ценно в городских условиях, где не достаточно пространства земли для испытательных электродов.
И Eurotest 61557, и Instaltest 61557 используют этот метод.
• Метод, использующий внешнее измерительное напряжение и вспомогательный измерительный электрод.
Преимущество этого метода в том, что в TN системах может быть получен точный результат, где сопротивления петли повреждения между фазными и защитными проводниками довольно низки.
Eurotest 61557 использует этот метод.
• Метод, использующий внутренний генератор, два измерительных электрода и одни измерительные клещи
В этом методе нет никакой необходимости механически отсоединять любой заземлитель, который может быть присоединен в параллель с испытательным электродом.
Eurotest 61557 и Earth-Insulation Tester, обаиспользуютэтотметод.
• Бесстержневой метод, использующий двое измерительных клещей
В случаях, когда проводят измерения в сложной заземляющей системе (с многочисленными параллельными заземлителями) или когда есть вторичная система заземления с малым сопротивлением заземлителя, этот метод позволяет Вам выполнить бесстержневые измерения. Преимущество этого метода в том, что нет необходимости возбуждать измерительные электроды и разделять измеряемые электроды.
Eurotest 61557 и Earth-Insulation Tester используютэтотметод.
Внимание!
• Необходимо знать, что в системах заземления, подвергаемых измерениям, часто присутствуют высокоуровневые сигналы помех. Это необходимо особенно учитывать на заземляющих системах в промышленности и силовых трансформаторах и т.д., где большие токи дренажа могут течь к земле. Большие блуждающие токи, часто существующие в области вокруг заземлителей, особенно вблизи высоковольтных распределительных сетей, железных дорог и т.д. Качество измерительного прибора доказывается его характеристиками при таких условиях окружающих сред. Eurotest 61557, Instaltest 61557 и Earth-InsulationTester используют патентованные методы измерения, которые доказывают, что точные результаты получаются даже в условиях, когда сопоставимые конкурентоспособные приборы будут не в состоянии выполнить измерения.
• Для успешного измерения сопротивления заземлителя с использованием испытательных электродов важно, чтобы сопротивление измерительных электродов (токовых и потенциальных) не было слишком большим.
По этой причине вышеупомянутые приборы, производимые METREL, проверяют оба электрода перед выполнением измерения. Следовательно, нет никакой необходимости менять вручную токовые (C2) и потенциальные (P2) испытательные провода и повторять измерение. Если испытательный прибор проверяет только сопротивление электрода, то каждое измерение должно быть повторено при реверсивном включении вспомогательных тестовых электродов P2 и C2.
Максимально допустимая величина сопротивления заземлителя RE отличается от случая к случаю. Существенным является то, что системы заземления в комбинации с другими защитными элементами (например, УЗО (RCD приборы), приборы защиты от сверхтока и т.д.) должны препятствовать возникновению опасных напряжений прикосновения.
Основное измерение сопротивления заземлителя использует метод внутреннего генератора и два измерительных электрода (потенциальный и токовый). Измерение основывается на так называемом методе 62 %.
Для этого измерения важно, чтобы измеряемый заземлитель отделялся от других параллельных заземлений типа металлических конструкций и т.д. Это должно приниматься во внимание, потому, что когда проводник отделен от заземлителя, то ток утечки или повреждения, текущий к земле, может привести к возникновению опасной ситуации.
Метод измерения, использующий классический четырехпроводный метод с двумя электродами

Рис. 27. Принцип измерения и распределения испытательного напряжения
Вычисление требуемого расстояния между проверяемой системой заземления (простой стержень или простой полосовой электрод)
Исходные данные для вычисления – глубина (длина) простого стержневого электрода или значение диагонали полосовой заземляющей системы.
- Расстояние от проверяемого заземлителя до текущего измерительного электрода C2 = глубина (длина) (стрежневой электрод) или диагональ (полосовой электрод) * 5
- Расстояние до измерительного электрода напряжения P2 (62 %) = Расстояние C2 * 0 62
- Расстояние до измерительного электрода напряжения P2 (52 %) = Расстояние C2 * 0 52
- Расстояние до измерительного электрода напряжения P2 (72 %) = Расстояние C2 * 0 72
Пример: система заземления полосового типа, диагональ = 4 м.
C2 = 4 м * 5 = 20 мP2 (62 %) = 20 м * 0,62 = 12,4 м
P2 (52 %) = 20 м * 0,52 = 10,4 м
P2 (72 %) = 20 м * 0,72 = 14,4 м
Вычисление конечно только теоретическое. Чтобы убедиться, что расчетные расстояния соответствуют фактической ситуации заземления, должна быть проведена следующая измерительная процедура.
Первое измерение должно быть сделано на потенциальном электроде, который вводится в землю на расстоянии 0 62 * C2. Измерение должно быть повторено при расстояниях 0,52 * C2 и 0,72 * C2. Если результаты повторных измерений не отличаются от первого более, чем на 10 % первого измерения (0 62 * C2), то тогда первый результат может рассматриваться как правильный. Если разность превышает 10 %, то оба расстояния (C2 и P2) должны быть пропорционально увеличены и все измерения повторены.
Рекомендуется, чтобы измерения были повторены при различных расположениях испытательных стержней, а именно, испытательные стержни должны быть размещены в противоположном направлении от проверяемого электрода (180 ° или по крайней мере 90 °). Окончательный результат - среднее число двух или больше промежуточных результатов.
Так как в действительности системы заземления могут быть достаточно сложными, несколько систем могут быть соединены вместе или под или над уровнем земли, система может быть физически чрезвычайно обширной, целостность системы обычно не может быть визуально проверена и т.д., то измерение сопротивления заземлителя может быть одним из наиболее необходимых измерений. Именно поэтому выбор соответствующего испытательного прибора очень важен.
Идентифицируйте тип заземления системы перед непосредственным началом измерений. На основании типа системы должен быть выбран соответствующий метод измерения.
Несмотря на выбранный метод, результат испытаний должен быть откорректирован, прежде чем сравнивать его с допускаемым значением, см. главу 5.
Далее разберем примеры практических измерений для различных типов систем заземления.
| Страница: 1 2 3 4 5 6 |

