Глава 7
Расширение частотного диапазона
По мере того, как все больше и больше новых беспроводных сервисов разрабатывается и становится доступными, частотный спектр становится все более и более плотно заселенным. Поэтому существует определенная тенденция разрабатывать новые продукты и сервисы, оперирующие на более высоких частотах. Вдобавок, новые СВЧ технологии продолжают успешно развиваться, создавая растущую потребность в измерениях СВЧ диапазона. Конструкторы анализаторов спектра ответили на этот вызов созданием приборов, способных производить прямые измерения по коаксиальному входу вплоть до 50 ГГц. А при использовании внешних смесителей, можно измерять и более высокие частоты. В этой главе мы рассмотрим методы, которые позволяют использовать анализаторы спектра на таких высоких частотах.
Внутреннее гармоническое смешение
В Главе 2 мы описали однодиапазонный анализатор спектра, который перестраивается до 3 ГГц. Теперь мы хотим иметь перестройку до более высокой частоты. Наиболее практичный путь достижения подобного расширения диапазона - гармоническое смешение.
Но давайте не будем спешить. При выводе уравнения настройки в Главе 2 мы обнаружили, что нуждаемся в фильтре нижних частот, изображенном на схеме Рис. 2-1, чтобы предотвратить попадание высокочастотных сигналов на смеситель. В результате получился однополосный анализатор с однозначной характеристикой, который перестраивается до 3 ГГц. Сейчас мы хотим обозревать и измерять более высокочастотные сигналы, поэтому фильтр нижних частот надо убрать.
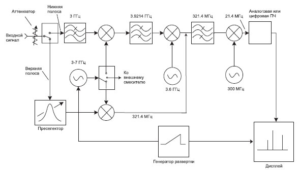
Другими факторами, которые мы обнаружили при выводе уравнения настройки, были выбор частоты гетеродина и промежуточных частот. Мы решили, что ПЧ не должна быть внутри полосы интересующих нас частот, поскольку она создает дыру в диапазоне настройки, в которой мы не можем производить измерения. Поэтому мы выбрали 3.6 ГГц, сдвинув ПЧ выше максимальной частоты диапазона настройки (3 ГГц). Поскольку наш новый диапазон настройки будет выше 3 ГГц, логично сдвинуть новую ПЧ до частоты ниже 3 ГГц. Типичная первая ПЧ для этого высокочастотного диапазона в спектральных анализаторах Agilent равна 321.4 МГц. Мы будем использовать эту частоту в наших примерах. В итоге, для нижней полосы, до 3 ГГц, наша первая ПЧ равна 3.6 ГГц. Для верхних полос частот мы должны переключиться на первую ПЧ, равную 321. 4 МГц. Заметим, что на Рис. 7-1 вторая ПЧ уже равна 321.4 МГц, так что все, что нам надо сделать, когда мы захотим настроиться на верхний диапазон, это обойти первую ПЧ.

Рисунок 7-1. Схема с переключением между нижней и верхней полосами
В Главе 2 мы использовали математический подход, чтобы заключить, что мы нуждаемся в фильтре нижних частот. Как мы увидим, в теперешней ситуации все становится гораздо сложнее, поэтому мы будем использовать графический подход как более легкий наглядный метод увидеть, что же происходит. Нижняя полоса частот - это более простой случай, поэтому начнем с него. Во всех наших графиках, мы будем отсчитывать частоту гетеродина вдоль горизонтальной оси, а частоту сигнала - вдоль вертикальной оси, как показано на Рис. 7-2. Поскольку мы знаем, что получим продукт смешения, равный ПЧ (и, следовательно, отклик на дисплее), когда входной сигнал отличается от гетеродина на величину ПЧ. Поэтому мы можем определить частоту, до которой анализатор настраивается, просто прибавив ПЧ к частоте гетеродина, или вычтя ее из частоты гетеродина. Чтобы определить наш диапазон настройки, мы начинаем с вычерчивания частоты гетеродина относительно оси частоты сигнала, как показано пунктирной линией на Рис. 7-2. Вычитание ПЧ из пунктирной линии дает нам диапазон настройки от 0 до 3 ГГц, - диапазон, который мы рассматривали в Главе 2. Отметим, что эта линия на Рисунке 7-2 обозначена «1-», чтобы показать фундаментальное смешение и использование знака «минус» в уравнении настройки. Мы можем использовать график для определения того, какая частота гетеродина требуется, чтобы получить конкретный сигнал (чтобы отобразить сигнал частоты 1 ГГц, гетеродин должен быть настроен на 4.9 ГГц), или чтобы узнать, при каком сигнале анализатор настроен на данную частоту гетеродина (при частоте гетеродина 6 ГГц спектральный анализатор настроен на прием сигнальной частоты 2.1 ГГц). В нашем тексте мы округляем первую ПЧ до первого десятичного знака; точное значение ПЧ указано в блок-схеме.

Рисунок 7-2. Настроечные кривые для фундаментального смешения в нижней полосе, в случае высокой ПЧ
Теперь добавим другую полосу фундаментального смешения путем суммирования ПЧ и линии гетеродина на Рис. 7-2. Это дает нам сплошную верхнюю линию, помеченную 1+, которая представляет собой диапазон настройки от 7.8 ГГц до 10.9 ГГц. Отметим, что для конкретной частоты гетеродина, две частоты, на которые настраивается анализатор, разделены между собой на двойное значение ПЧ. Предполагая, что при проведении измерений сигналов в нижней полосе на входе у нас будет фильтр низких частот, беспокоиться о наличии сигналов в диапазоне частот 1+ нам не надо.
Теперь посмотрим, насколько гармоническое смешение усложняет ситуацию. Гармоническое смешение происходит из-за того, что гетеродин подает на смеситель высокоуровневый управляющий сигнал, необходимый для эффективного смешения, и поскольку смеситель - нелинейный прибор, он генерирует гармоники сигнала гетеродина. Входящие сигналы могут смешиваться с гармониками гетеродина, а также с фундаментальной частотой, и любой продукт смешения с частотой, равной ПЧ, порождает отклик на дисплее. Другими словами, наше уравнение настройки (смешения) теперь становится таким:
fsig = nfLO ± fIF ,
где n - гармоника гетеродина, а другие параметры - те же самые, что и ранее.
Добавим смешение второй гармоники на наш график на Рис. 7-3 и посмотрим, насколько это усложнит нашу измерительную процедуру. Как и раньше, вначале откладываем частоту гетеродина относительно оси частоты сигнала. Умножая частоту гетеродина на два, получаем верхнюю пунктирную линию на Рис. 7-3. Так же, как мы делали это для фундаментального смешения, просто вычтем ПЧ (3.9 ГГц) из нее, и прибавим ее к кривой второй гармоники гетеродина, чтобы получить настроечные диапазоны 2- и 2+. Поскольку они не перекрываются с желаемым настраиваемым диапазоном 1-, мы можем снова считать, что они реально не усложняют измерительный процесс. Другими словами, сигналы в настроечном диапазоне 1 производят единственные недвусмысленные отклики на дисплее анализатора. Тот же самый фильтр низких частот, что применялся в случае фундаментального смешения, точно так же может избавить нас и от тех откликов, что появляются в результате гармонического смешения.

Рисунок 7-3. Сигналы в частотном диапазоне «1-» порождают единственные недвусмысленные отклики в нижней полосе, в случае высокой ПЧ
Значительно отличается ситуация в случае верхней полосы частот и низкой ПЧ. Как и раньше, мы начинаем с построения фундаментального сигнала гетеродина относительно оси частоты сигнала, а затем добавляем и вычитаем ПЧ, получая результаты, показанные на Рис. 7-4. Заметим, что диапазоны настройки 1- и 1+ теперь располагаются значительно ближе друг к другу и происходит перекрытие, поскольку ПЧ много ниже, в данном случае 321.4 МГц. Усложняется ли измерительный процесс тем, что диапазоны настройки стали теснее? И да и нет. Прежде всего, наша система может быть калибрована одновременно только на один диапазон настройки. В этом случае мы должны выбрать настройку 1-, что даст нам частоту 2.7 ГГц на нижней границе так, чтобы мы имели некоторое перекрытие с частотой 3 ГГц на верхней границе нашего диапазона настройки в нижней полосе частот. Тогда что же мы можем увидеть на дисплее? Если посмотреть на график гетеродинных частот на отметке 5 ГГц, то мы обнаружим две возможных частоты сигнала, которые дадут нам отклики в одной и той же точке на дисплее: 4.7 и 5.3 ГГц (это снова округленные числа). С другой стороны, если мы взглянем на ось частот сигнала в точке 5.3 ГГц, то увидим, что, вдобавок к отклику 1+ на частоте гетеродина в 5 ГГц, мы можем также получить отклик 1-. Это произойдет, если мы позволим гетеродину достроиться до 5.6 ГГц, т. е. на два значения ПЧ выше 5 ГГц. Также, если мы посмотрим на график частоты сигнала в точке 4.7 ГГц, мы обнаружим отклик 1+ на частоте гетеродина около 4.4 ГГц (на две ПЧ ниже 5 ГГц) вдобавок к отклику 1- на частоте гетеродина в 5 ГГц. Таким образом, для каждого полезного отклика диапазона настройки 1- будет существовать второй отклик, расположенный на два значения ПЧ ниже по частоте. Эти пары откликов называют множественными откликами.При такой ситуации со смешением сигналов, вполне возможен случай, когда сигналы на разных частотах произведут отклик в одной и той же точке на дисплее, то есть, на одинаковой ПЧ. Как видно на Рис. 7-4, входные сигналы 4.7 ГГц и 5.3 ГГц дают отклик на ПЧ, когда частота гетеродина равна 5 ГГц. Эти сигналы называются зеркальными частотами, и они разнесены также на двойную величину ПЧ.
Ясно, что нам необходим способ разделения откликов, генерируемых на настроечной кривой 1-, для которой анализатор калиброван, и откликов, производимых на настроечной кривой 1+. Однако, прежде чем рассмотреть решение проблемы разделения сигналов, добавим кривые гармонического смешения на 26.5 ГГц и посмотрим, есть здесь какие-либо дополнительные факторы, которые мы должны учесть в процессе идентификации сигналов.

Рисунок 7-4. Настроечные кривые для фундаментального смешения в верхней полосе, в случае низкой ПЧ
При внимательном рассмотрении Рис. 7-5 можно обнаружить некоторые дополнительные сложности. Здесь анализатор спектра настроен для работы в нескольких полосах настройки. В зависимости от частоты, на которую настроен анализатор, его дисплей калибруется по частоте для конкретной гармоники гетеродина. Например, для входного диапазона частот от 6.2 до 13.2 ГГц, анализатор спектра калиброван для настроечной кривой 2-. Предположим, что на вход подается сигнал 11 ГГц. По мере развертки гетеродина по частоте, этот сигнал произведет отклики на частоте ПЧ на настроечных кривых 3+, 3-, 2+ и 2-. Нужный нам отклик на настроечной кривой 2- появится, когда частота гетеродина будет удовлетворять уравнению настройки:
11 ГГц = 2fLO - 0.3
fLO = 5.65 ГГц
Аналогично, мы можем рассчитать, что отклик на настроечной кривой 2+ появится, когда частота гетеродина будет 5.35 ГГц, что даст нам отображаемый сигнал на частоте 10.4 ГГц.
Сигналы на дисплее, созданные откликами на настроечных кривых 3+ и 3-, называются внутриполосными множественными откликами. Поскольку они появляются при настройке гетеродина на частоты 3.57 ГГц и 3.77 ГГц, на экране они порождают ложные отклики, выглядящие как сигналы на частотах 6.84 ГГц и 7.24 ГГц.

Рисунок 7-5. Настроечные кривые вплоть до 4-ой гармоники гетеродина с внутриполосными множественными откликами на входной сигнал частоты 11 ГГц
В другой ситуации возможно появление внеполосных множественных откликов. Например, пусть мы наблюдаем в полосе 1 сигнал с частотой 5 ГГц, у которого наличествует существенная гармоника на частоте 15 ГГц (полоса 3). Вдобавок к ожидаемой паре множественных откликов, порождаемой 5-ГГц сигналом на настроечных кривых 1+ и 1-, мы получим еще отклики, генерируемые 15-ГГц сигналом на настроечных кривых 4+, 4-, 3+ и 3-. Поскольку эти отклики появляются, когда гетеродин настроен соответственно на 3.675, 3.825, 4.9 и 5.1 ГГц, то на экране отобразятся ложные сигналы на частотах 3.375, 3.525, 4.6 и 4.8 ГГц, как показано на Рис. 7-6.

Рисунок 7-6. Внеполосные множественные отклики в полосе 1 как результат наличия сигнала в полосе 3
Множественные отклики обычно проявляются парно1, продукт смешения с «плюсом» и продукт смешения с «минусом». Когда мы используем верный номер смешения на гармониках для данной полосы настройки, отклики будут разнесены на 2fIF. Поскольку наклон каждой пары настроечных кривых линейно увеличивается с ростом номера гармоники N, множественные пары от любого другого номера гармоники будут разнесены на:
2fIF(NC/NA)
где NC - верный номер гармоники для нужной нам полосы настройки
NA - действительный номер гармоники, порождающей
множественную пару.
Можно ли в результате всего вышеизложенного заключить, что анализаторы спектра со смешением на гармониках непрактичны? Вовсе не обязательно. В случаях, когда частота сигнала известна, можно настроиться непосредственно на сигнал, зная, что анализатор выберет подходящий режим смешения, для которого он откалиброван. В случае контролируемых процессов, при наличии только одного или двух сигналов, довольно легко отделить реальный сигнал от мнимого или от множественных откликов. Однако есть множество ситуаций, когда мы и понятия не имеем, сколько сигналов участвует в процессе или каковы могут быть их частоты. Например, мы можем выискивать неизвестные паразитные сигналы, проводить обзор состояния местности в рамках мониторинга частотной заселенности, или осуществлять ЭМП-тест для измерения нежелательных излучений устройства. Во всех этих случаях мы можем находиться в поиске совершенно неизвестного нам сигнала в, возможно, весьма плотно заселенном спектральном окружении. И если проводить некую процедуру распознавания по отношению к каждому отклику, то наши измерения затянутся на неимоверно долгое время. К счастью, есть способ существенно устранить мнимые и множественные отклики путем предварительной фильтрации сигнала. Этот метод называется преселекцией.
Преселекция
Каким образом должна осуществляться преселекция? Вновь обратившись к Рис. 7-4, предположим, что у нас на входе анализатора есть два сигнала с частотами 4.7 и 5.3 ГГц. Если бы нас интересовал конкретно один из этих сигналов, то достаточно было бы использовать полосовой фильтр, чтобы пропустить в анализатор нужный нам сигнал и отсеять второй. Однако фиксированный фильтр не устраняет множественные отклики; поэтому если спектр густо заселен, все равно есть вероятность путаницы. Еще более важным является ограничение, которое фиксированный фильтр накладывает на гибкость всего анализатора. Если мы проводим какие-то широкополосные измерения, нам точно не захочется постоянно менять входные полосовые фильтры.
Решением является настраиваемый фильтр, построенный так, что он автоматически следит за частотой подходящего режима смешения. На Рис. 7-7 проиллюстрировано действие такого преселектора. Здесь мы используем преимущество того факта, что наш супергетеродинный анализатор спектра не проводит анализ в реальном времени; то есть он настраивается только на одну частоту в один момент времени. Пунктирная линия на Рис. 7-7 представляет собой полосу следящего преселектора. Сигналы за штриховой линией отсеиваются.
Предположим, у нас есть сигналы на 4.7 ГГц и 5.3 ГГц на входе анализатора. Если мы установим центральную частоту 5 ГГц и полосу обзора 2 ГГц, то давайте посмотрим, что случится, когда анализатор будет перестраиваться через этот диапазон. Когда гетеродин проходит через 4.4 ГГц (частота, на которой он может смешиваться с входным сигналом 4.7 ГГц на его 1+ смесительной моде), преселектор настраивается на 4.1 ГГц и, таким образом, отсеивает сигнал 4.7 ГГц.
Поскольку входной сигнал не достигает смесителя, никаких смешений не происходит, и никакого отклика на дисплее не появляется. Как только гетеродин минует 5 ГГц, преселектор позволяет сигналу 4.7 ГГц достичь смесителя, и мы видим соответствующий отклик на дисплее. Зеркальный сигнал 5.3 ГГц отсеивается, поэтому он не создает продукта смешения для взаимодействия с продуктом смешения от 4.7 ГГц и появления ложной отметки. И, наконец, когда гетеродин проходит 5.6 ГГц, преселектор позволяет сигналу 5.3 ГГц достичь смесителя, и мы видим его верное отображение на дисплее. На Рис. 7-7 видно, что различные смесительные моды не пересекаются. Так что, до тех пор, пока полоса преселектора достаточно узка (она обычно меняется от 35 МГц на низких частотах до 80 МГц на высоких частотах), он будет значительно ослаблять все мнимые зеркальные и множественные отклики.

Рисунок 7-7. Преселекция (пунктиром показана полоса следящего преселектора)
Слово «устранять» может быть преувеличением. Заграждение у преселектора не бесконечное. Граница его проходит скорее где-то на уровне 70-80 дБ. Так что, если мы исследуем очень низкоуровневые сигналы при одновременном наличии сигналов с очень высоким уровнем, то мы можем увидеть низкоуровневые мнимые и множественные отклики высокоуровневых сигналов.
А что насчет нижней полосы частот? Ведь большинство следящих преселекторов основано на ЖИГ-технологии, а ЖИГ-фильтры не очень хорошо работают на низких частотах. К счастью, решение есть. Как мы видели на Рис. 7-3, ни одна другая смесительная мода не перекрывает моду 1- в случае низких частот и высокой ПЧ. Поэтому простой фильтр низких частот поможет нам ослабить и мнимые, и множественные отклики. На Рис. 7-8 изображена схема типичного микроволнового анализатора спектра.

Рисунок 7-8. Передовая архитектура типичного анализатора спектра с преселекцией
Амплитудная калибровка
До сих пор мы рассматривали то, как анализатор спектра со смешением на гармониках реагирует на различные входные частоты. А как насчет амплитуд?
Потери преобразования в смесителе - это функция номера гармоники, и потери эти увеличиваются с ростом номера. Это означает, что сигналы одинаковой амплитуды будут отображаться на разных уровнях на дисплее, если они смешиваются на разных модах. Так что надо что-то предпринять, чтобы сохранить калибровку по амплитуде. В анализаторах фирмы Agilent, например, изменяется усиление ПЧ. Увеличение потерь преобразования на более высоких гармониках гетеродина выливается в снижение чувствительности, точно так же как если бы мы увеличили входную аттенюацию. А поскольку изменение усиления ПЧ происходит уже после потерь преобразования, то изменение усиления отображается соответствующим изменением уровня шума на экране. Так что мы можем определить чувствительность анализатора в диапазонах смешения на модах, отмечая средний уровень собственных шумов, точно так же, как мы делали это в случае фундаментального смешения.
В старых анализаторах спектра увеличение отображаемого среднего уровня шумов с каждой новой гармонической полосой было довольно заметным. Новые модели фирмы Agilent обладают гармоническим смесителем с двойным балансом, что минимизирует увеличение потерь преобразования при использовании более высоких гармоник. Таким образом эффект «лестничных ступенек» при отображении среднего уровня собственных шумов сменился на плавное наклонное увеличение с ростом частоты. Наглядно это можно увидеть на Рис. 7-9.

Рисунок 7-9. Поднятие отображаемого уровня шума сигнализирует об изменениях чувствительности при изменении используемой гармоники гетеродина
Фазовый шум
В Главе 2 мы отметили, что нестабильность гетеродина анализатора проявляется в виде фазового шума вокруг сигналов, которые достаточно сильно возвышаются над отображаемым уровнем шума. Также мы говорили, что этот фазовый шум ограничивает нашу способность разделять близко отстоящие друг от друга сигналы с неодинаковыми амплитудами. Уровень фазового шума показывает угловые, или фазовые, отклонения в гетеродине. Что происходит с фазовым шумом, когда гармоника гетеродина участвует в процессе смешения? Относительно фундаментального смешения, фазовый шум (в децибелах) увеличивается как 20log(N), где N - номер гармоники гетеродина*.
Для примера положим, что основная мода гетеродина имеет размах отклонений в 10 Гц. Вторая гармоника - размах в 20 Гц, третья - в 30 Гц и т.д. Поскольку фазовый шум указывает на наличие сигнала (в данном случае - шумового), производящего модуляцию, то уровень фазового шума должен быть выше, чтобы вызвать более значительные отклонения. Когда степень модуляции очень мала, как в нашем случае, амплитуда боковых полос модуляции прямо пропорциональна отклонениям несущей (гетеродина). Если отклонения удваиваются, то уровень боковых полос также должен удвоиться по амплитуде; то есть, увеличиться на 6 дБ или 20log(2). В результате, способность нашего анализатора измерять близко расположенные сигналы разных амплитуд уменьшается с ростом номера гармоники гетеродина, участвующей в смешении. Рис. 7-10 иллюстрирует разницу фазового шума при фундаментальном смешении 5-ГГц сигнала и смешении на четвертой гармонике 20-ГГц сигнала.

Рисунок 7-10. Уровни фазового шума для фундаментального смешения и смешения на 4-ой гармонике
1 Часто их называют «мнимыми парами», однако такая терминология не вполне верна: за всеми мнимыми откликами стоят два или больше реальных сигналов, присутствующих на входе анализатора, которые порождают ПЧ-отклики на одной и той же частоте гетеродина.)
* прим. ред. Один из законов фазового шума гласит: при умножении частоты сигнала в n раз средняя мощность фазового шума увеличивается в n2 раз; отсюда и приведенная формула.

